隆中重工圆振动筛工作原理结构图
发布日期:2016-05-16 作者:隆中
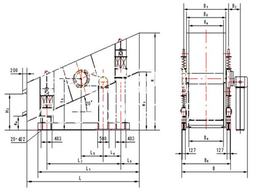
众所周知,圆振动筛是一款作圆形运动的振动筛分设备,主要由筛箱、筛网、振动器及减振弹簧等组成。振动器安装在筛箱侧板上,并由电动机通过三角皮带带动旋转,产生离心惯性力,迫使筛箱振动。下面我们通过圆振动筛的结构图来了解下关于圆振动筛的工作原理。
1. 筛箱:由数种厚度不同的钢板焊制而成,具有特定的强度和刚度,是筛机的主要组成部分。
2. 筛网:有低碳钢、黄铜、青铜、不锈钢丝、弹性杆等数种筛网。
3. 电机使用与维修方法:详见电机使用说明书。
4. 电机台座:下振式筛机的电机台座是可移动的,使用前连接螺钉需要拧紧,特别是新筛机试用前三天,b须反复紧固,以免松动造成事故。
5. 减震弹簧:阻止振动传给地面,同时支持筛箱的全部重量,安装时,弹簧需要垂直于地面。
6. 支架:由四个支柱和两个槽钢组在,支持着筛箱,安装时支柱需要垂直于地面,两支柱下面的槽钢应相互平行。


有了以上隆中重工提供的圆振动筛结构图并有详细的配件说明,相信大家会对圆振动筛的工作原理和结构设计有了更详细的了解把,如果还有哪些疑问的话,随时欢迎您拨打热线电话咨询。
相关文章直线振动筛电机的三种安装方式
公司热线400-658-0379
联系人白经理
相关推荐



